Арт.: 040331

Профиль FANTOM-BENT-W23-SIDE-2000 ANOD (Arlight, Алюминий)

Распечатать
Поделиться
Общие характеристики
Тип товара
Профиль
Цвет покрытия
Серебристый
Форма (сечение)
С фланцем
Назначение
Для гипсокартонных листов
Модельный ряд
BENT-SIDE
Материал корпуса
Алюминий
Индивидуальная покраска
Не выполняется
Гарантийный срок
3 год(а)
Особенность
Гибкий
Способ монтажа
Встраиваемый со скрытым фланцем
Архивный товар
Способы получения заказа Способы получения заказа Самовывоз Курьер
Описание
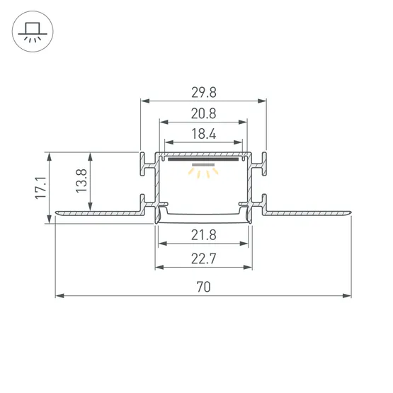
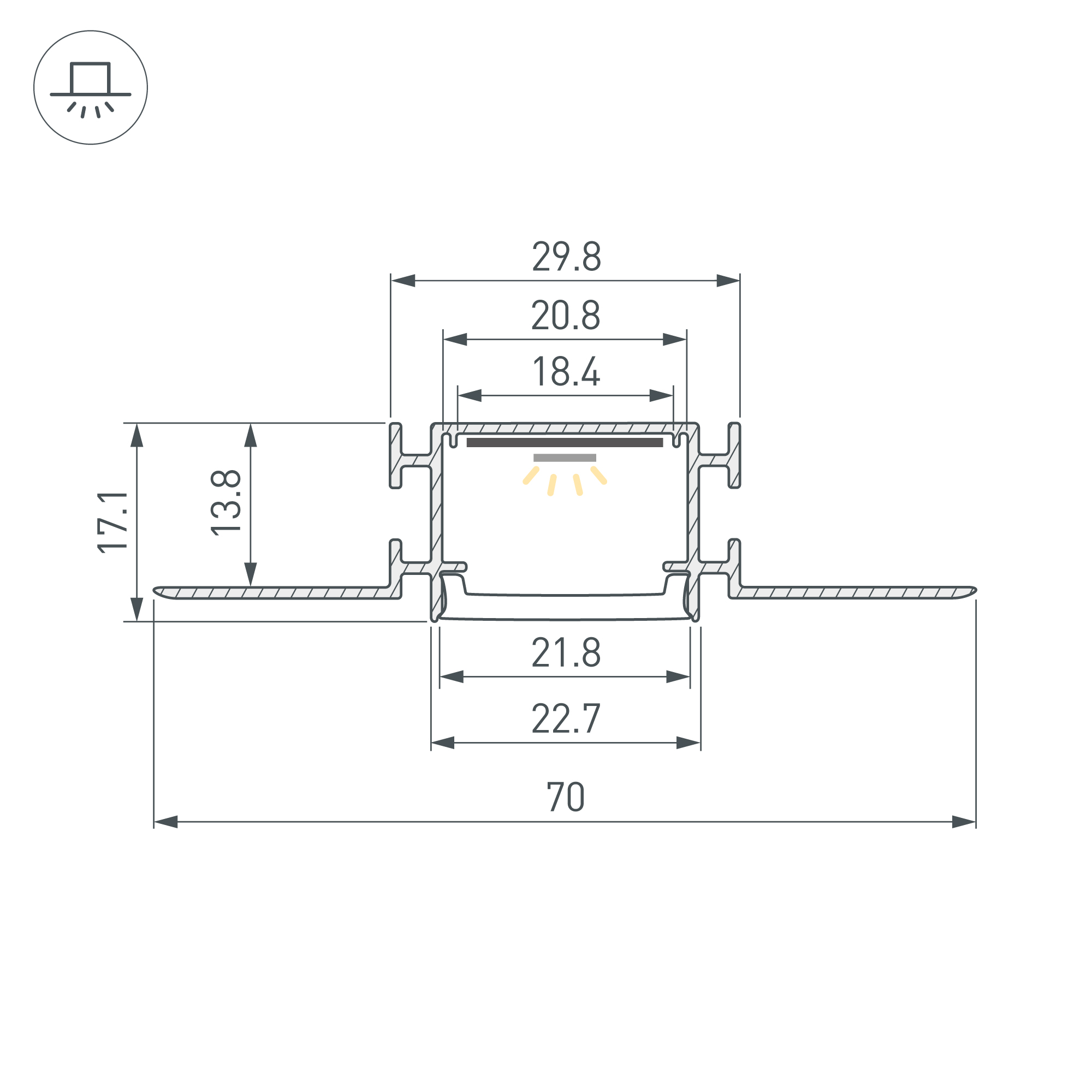
Встраиваемый гибкий профиль из анодированного алюминия со скрытым фланцем под строительную отделку устанавливается в потолки и потолочные ниши из гипсокартона. Минимальный радиус горизонтального изгиба (вправо/влево) 50 см. Габаритные размеры профиля составляют 2000 мм в длину, 70 мм в ширину и 17,1 мм в высоту. Площадка для установки светодиодных лент позволяет использовать ленту шириной до 17 мм и мощностью до 23 Вт/м. Рекомендуется использовать с гибкой светодиодной лентой серии RZ. Совместим с прямым алюминиевым профилем FANTOM-W23 и гибким FANTOM-BENT-W23-TOP. Сочетание разных видов профиля поможет подчеркнуть как прямые, так и изогнутые контуры интерьера, а также создать круги и волнообразные линии, переходящие с потолка на стены. Экраны, заглушки и другие аксессуары не включены в комплект и приобретаются отдельно. Цена указана за 1 метр профиля.
Видео
Обзор освещения для салона красоты
27 марта 2025
Обзор освещения для салона красоты
Продуманное освещение повышает качество услуг, создает приятную атмосферу и привлекает клиентов.
Характеристики
Алюминиевый встраиваемый гибкий профиль для светодиодных лент и линеек. Изгиб вправо/влево. Минимальный радиус изгиба 50 см. Габаритные размеры (L×W×H): 2000х70х17,1 мм. Ширина площадки для ленты 17 мм. Экраны, заглушки и другие аксессуары приобретаются отдельно. Цена за 1 метр.
Общие
Артикул
040331
Тип товара
Профиль
Цвет покрытия
Серебристый
Форма (сечение)
С фланцем
Назначение
Для гипсокартонных листов
Модельный ряд
BENT-SIDE
Материал корпуса
Алюминий
Индивидуальная покраска
Не выполняется
Гарантийный срок
3 год(а)
Особенность
Гибкий
Способ монтажа
Встраиваемый со скрытым фланцем
Светотехнические
КПД профиля (cветовой)
76 %
Эксплуатационные
Внешний вид поверхности
Матовая
Покрытие поверхности
Анодирование
Ширина световой линии
21.4 мм
Рассеиваемая тепловая мощность на 1м
max: 23 W
Направление изгиба
Side (поперёк оптической оси)
Габариты
Длина
2000 мм
Ширина
70 мм
Высота
17.1 мм
Ширина площадки
17 мм
Глубина установки источника света
16 мм
Другие
Кратность цены за 1 м/шт
1